| Меню сайта |
 |
|
 |
| Категории раздела |
 |
|
ПиАХТ [4]
Процессы и аппарты химических технологий расчетные задания курсовые, решения, задачи, литература
|
|
Задачи Павлов, Романков [13]
Содержит задачи по учебнику Павлов, Романков, для заказа цена задачи 100 руб
|
|
Курсовые [26]
Готовые курсовые работы по ПАХТу: теплообменник, ректификация, абсорбция, адсорбция, выпарная установка, установка осмоса, расчет циклона
|
|
ОХТ [10]
Описание тех схем основных производст для студентов КГТУ расчет мат балансов и их заказ
|
|
Детали машин [10]
Курсовые проектвы подеталям машин для заочников КГТУ (КНИТУ) и др вузов с решениями
|
|
Механические задачи для аппаратов ОРК [2]
Для механических специальностей КНИТУ
|
|
Курсовые аппарат с мешалкой [1]
Приведены курсовые проекты аппаратов с мешалкой, примеры решений, курсовые задания
|
|
МАХП [14]
Машины и аппараты химических производств
|
|
Такелаж [1]
Расчеты такелажного оборудования, подъемного оборудования по курсу МАХП КНИТУ (КГТУ)
|
|
Технологическое оборудование [1]
Технологическое оборудование контрольные работы для очников КГТУ
|
|
Холодоснабжение [1]
Калорический расчет камер, контрольные работы для КГТУ
|
|
Автоматизация [16]
Автоматизация химических технологий абсорбции ректификации, адсорбции
|
|
Контрольные по АСУТП [19]
Контрольные работы, решение и заказ для механических и технологических специальностей КНИТУ и КХТИ
|
|
Задачи Романков, Флюсюк [26]
Решение задач Романоков, Флисюк цены от 100руб, заказ он-лайн задачи в течении минуты после оплаты
|
|
Задачи ПАХТ разные [13]
Задачи по ПАХТу на теплообмен, массопередачу, абсорбцию, ректификацию сушку, выпаривание и гидромеханические процессы
|
|
Задачи по гидравлике [22]
Решение задач по гидравлике скачать и заказать недорого
|
|
 |
| Наш опрос |
 |
|
 |
| Статистика |
 |
Онлайн всего: 1 Гостей: 1 Пользователей: 0 |
 |
|
Главная » 2012 » Сентябрь » 01 » Органические кислоты тех схема
18:59 Органические кислоты тех схема |
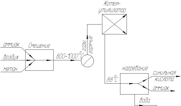
| Технологическая схема получения синильной кислоты из аммиака и метана. Скачать схему через letitbit  
Операторная схема получения нитрила метакриловой кислоты путем прямого воздействия нитрила пропионовой кислоты с формальдегидом Функциональная схема получения нитрила метакриловой кислоты путем прямого воздействия нитрила пропионовой кислоты с формальдегидом  Технологическая схема получения нитрила метакриловой кислоты путем прямого воздействия нитрила пропионовой кислоты с формальдегидом Скачать схемы получения нитрила метакриловой кислоты путем прямого воздействия нитрила пропионовой кислоты с формальдегидом через letitbit 
|
|
Категория: ОХТ |
Просмотров: 827 |
Добавил: Pingvin
| Теги:
| Рейтинг: 0.0/0 |
|
|
| Вход на сайт |
 |
|
 |
| Поиск |
 |
|
 |
| Календарь |
 |
| « Сентябрь 2012 » |
| Пн |
Вт |
Ср |
Чт |
Пт |
Сб |
Вс |
| | | | | | 1 | 2 | | 3 | 4 | 5 | 6 | 7 | 8 | 9 | | 10 | 11 | 12 | 13 | 14 | 15 | 16 | | 17 | 18 | 19 | 20 | 21 | 22 | 23 | | 24 | 25 | 26 | 27 | 28 | 29 | 30 | |
 |
| Архив записей |
 |
|
 |
|